
低压配电网新一代电能质量优化技术
一、所属行业:电气
二、适用范围:低压配电网(电网低压用户端,包括用燃料发电的分布式发电场合)
三、技术内容:
(一)基本原理
电能的视载功率S,与有功功率P、无功功率Q、其中视载功率就是发电的总量,P是有功功率,保持设备的正常运行所消耗的电能,Q是无功功率,D是畸变功率,会导致线路发热和变压器发热,并且对设备和电网造成破坏作用。通过新一代电能质量优化技术生产的静止同步无功补偿器(STATCOM)和有源电力滤波器(APF)等产品在低压配电网的使用,可以大幅度降低无功功率和畸变功率,从而提高电能效率,降低电能损耗。
(二)关键技术
1、实时无功功率和谐波功率的精确计算;2、多电平的高精度PWM变流控制技术;3、零序、负序电流的精确计算;4、三相不平衡补偿技术;5、大功率变流器设计和可靠性研究;6、整机系统的多层保护设计和可靠性设计;7、高效散热系统设计;8、高速相应,瞬时补偿响应速度小于1ms等。
(三) 工艺流程:
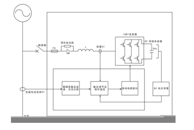
iNAS最新一代有源电力滤波器(APF)和静止同步无功补偿装置(STATCOM)采用并联方式(电流型),是通过现代电力电子技术和基于高速DSP器件的数字信号处理技术,研制而成的新型电力谐波治理设备和无功补偿设备。iNAS最新一代有源电力滤波器(APF)和静止同步无功补偿器(STATCOM)通过实时监测负载电流,将模拟电流信号通过高精度、高性能A/D转换为数字信号,并送入高速数字信号处理器(DSP)对数字信号进行处理,将负载电流中谐波和无功分量分离出来,形成指令信号,并以脉宽调制(PWM)信号形式向变流器(补偿电流发生电路)送出驱动指令,变流器对正向谐波电流进行吸收,并将吸收能量向直流侧高压电解电容器充电,再将该部分能量发出与负向谐波和无功相位相反的波形对负向谐波和无功进行抵消。

图1系统工作原理图
四、主要技术指标:
与无源电力滤波器相比,英纳仕电气最新一代有源电力滤波装置(APF)具有响应速度快、可控性高、能跟踪补偿各次谐波、特性不受系统影响、体积小重量轻等突出优点,因而成为谐波抑制和滤除的重要产品之一。能有效降低谐波含量,总电流谐波畸变率达到5%以内。通过降低畸变功率实现电能使用效率地提高。无源设备吸收谐波,并产生大量热损耗,故几乎没有节能效果。
|
有源电力滤波器 |
无源滤波器 |
构造与原理 |
采用电力电子装置进行谐波补偿 |
由单调滤波器和高通滤波器组成的装置进行谐波补偿 |
谐波补偿效果 |
不局限于某些次谐波的补偿,而且对变化的谐波进行迅速的动态跟踪补偿 |
仅对某些次谐波有好的补偿效果好,当谐波成分变化时补偿效果变差 |
电网阻抗的影响 |
补偿特性不受电网阻抗的影响 |
补偿特性受电网阻抗的影响很大 |
谐振现象 |
与系统电网无谐振现象 |
特定频率下发生谐振 |
与国内其它公司生产有源电力滤波器相比,具有如下技术上的领先性:
英纳仕电气有源电力滤波器 |
国内其它公司有源电力滤波器 |
全响应补偿速度<1ms |
全响应补偿速度>20ms |
瞬时响应速度<100us |
基本做不到 |
总电流谐波畸变率<5%~1% |
一般降至7%~8% |
使用范围很广,民用、轻工和重工 |
一般是民用或者轻工 |
设备容量从单机50安培~800安培 |
一般用50安培或者100安培并柜,治理效果差。 |
五、技术鉴定情况:
通过国家电力电子产品质量监督检验中心、上海电器设备检测所检测;拥有六项相关专利。
六、典型用户及投资效益:
湖北菲利华蓝宝石生产车间投入英纳仕有源电力滤波器设备后,电流畸变率从75%降至5%以内,无功功率降低25%,视载功率降低18.3%,有功上升2%。
河北邯郸锦江饭店使用英纳仕静止同步无功补偿器后,用电功率因数从0.8稳定补偿至0.99以上,无功功率降低80.8%,视载功率降低16.3%,有功上升3%。
七、推广前景和节能潜力:
如果国内电能的使用效率提高10%,也就意味着今后每年至少节约5000亿度电~6000亿度电,折合标准煤1.67亿吨~2亿吨标准煤,如果用电效率达到发达国家水平,我国每年至少要节约3.34亿吨标准煤~4亿吨标准煤。从这个意义上来讲,用最新一带电能质量优化设备来改善电能质量,对我国的节能减排、降耗都有重大意义。